(KDV Dahil) :
Ürünü favorilere ekleyebilmeniz için üye girişi yapmanız gerekmektedir.
PA104 Serisi Namur Valfler, NAMUR bağlantı standartı olan tüm pnömatik aktüatörlerin üzerine bağlanarak havanın elektrik ile yönlendirilmesini sağlar. Namur valfler gövde boyu, bağlantı ekseni ve havayı yönlendirebilen delik adedine göre sınıflandırılır.
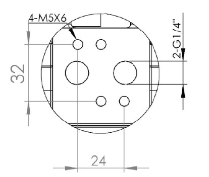
PA104B2512120 serisi Namur Valfler Büyük Gövdeli valflerdir. Vida delik eksenleri aşağıdaki şekilde olan uygun pnömatik aktüatörlere monte edilebilirler. VT serisi aktüatörlerde 95 lik gövdeden sonra bu tip namur valfler kullanılmaktadır.
Ayrıca, PA104B serisi namur valfler, tek veya çift etkili aktüatörlere bağlanabilir. Gövdesinde bulunan değiştirilebilir conta tasarımı sayesinde aynı valf hem tek etkili aktaütöre uyumlu 3/2 valf olarak, hem de çift etkili pnömatik aktüatöre uyumlu 5/2 valf olarak kullanılabilir.
220 Vac, 24 Vdc, 12 Vdc, 110 Vac gibi birçok farklı voltaj seçenekleri vardır. Ex-proof bobinli 220 Vac ve 24 Vdc versiyonları opsiyonel olarak sunulur.


Sitede yer alan tüm yazı, doküman ve görseller izinsiz kullanılamaz. Kullananlar hakkında yasal işlemler yürütülecektir.


